20B-1 Kuželová pojistná pouzdrová ozubená kolaje navržen pro vysoký výkon a odolnost v systémech přenosu výkonu. Kuželová pojistná pouzdra zajišťují mechanické těsné spojení mezi nábojem řetězového kola a hřídelí, což vede k pevnému a spolehlivému spojení.
Hlavní vlastnosti
- Mechanické lisované spojení:Zajišťuje bezpečné spojení pro plynulý a efektivní přenos výkonu.
- Efektivní provoz:Snižuje energetické ztráty a zlepšuje celkovou účinnost systému.
- Prodloužená životnost:Odolná konstrukce minimalizuje potřebu údržby a výměny, čímž snižuje prostoje a náklady.
- Přesný tvar zubů:Zaručuje optimální záběr řetězu, snižuje tření a hluk a zajišťuje plynulejší provoz.
- Vysoce kvalitní materiály:
- Ocel C45:Vyvažuje pevnost a ekonomiku.
- Nerezová ocel:Poskytuje vynikající odolnost proti korozi v náročných podmínkách.
- Kalená ocel:Tepelně zpracovaná pro zvýšenou odolnost proti opotřebení a dlouhou životnost.
Technické specifikace
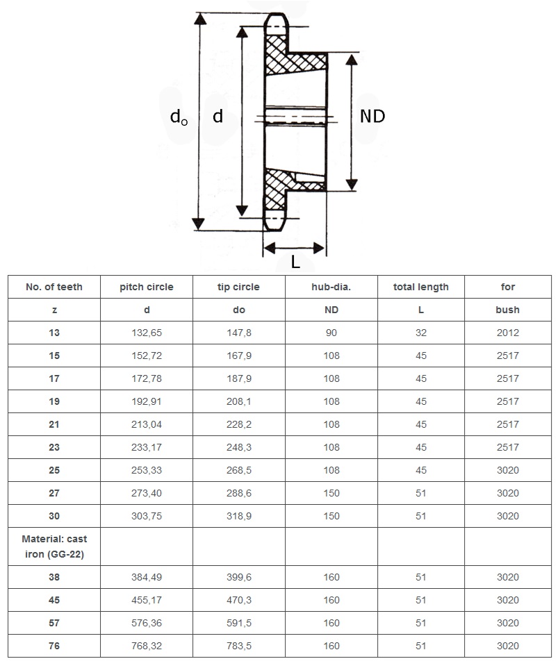
- Číslo ISO:20B-1 (1 1/4“ x 3/4“)
- Rozteč:31,75 mm
- Vnitřní šířka:19,56 mm
- Průměr válečku:19,05 mm
- Šířka zubů:18,5 mm
- Ba:3,5 mm (šířka poloměru)
- Rx:32 mm (min. poloměr zubu)
Výhody
- Silné a spolehlivé spojení pro vysoce výkonné systémy
- Snížené tření, hlučnost a náklady na údržbu
- Široký výběr materiálů pro různá prostředí
- Prodlužuje životnost ozubených kol a řetězů
Vyberte si ozubené kolo s kuželovou pojistnou pouzdrem 20B-1 pro prvotřídní odolnost, účinnost a spolehlivost ve vašich aplikacích pro přenos výkonu.