ostrý horní řetěz pro použití ve vlhkém a prašném prostředí

Řetěz s ostrými zuby je druh převodového řetězu, jehož struktura se vyznačuje řadou střídavě sestavených zubových řetězových desek a vodicích desek a prostřednictvím čepu nebo kombinace kloubových prvků spojených dohromady tvoří sousední rozteč kloubové spoje.

Popis

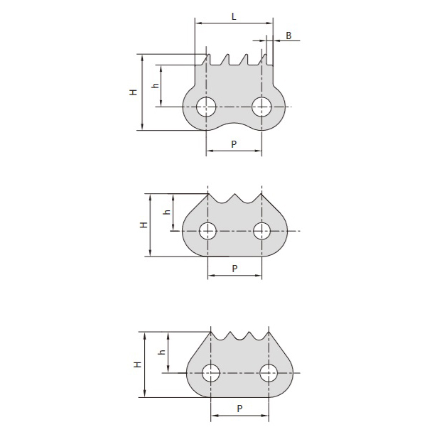
Řetěz s hroty, klasifikovaný podle typu vedení, zahrnuje vnější ozubený řetěz, vnitřní ozubený řetěz a dvojitý vnitřní ozubený řetěz. Tento řetězový převod využívá přesné zapojení zubů řetězu a řetězového kola k přenosu síly a pohybu, čímž zajišťuje přesný průměrný převodový poměr.

Výhody

  • Vysoký přenosový výkon a silná přetížitelná kapacita
  • Kompaktní velikost převodu pro stejné pracovní podmínky
  • Vyžaduje menší napínací sílu
  • Spolehlivý provoz v náročných podmínkách, včetně vysokých teplot, vlhkosti, prachu a znečištění

Nevýhody

  • Vyšší náklady ve srovnání s jinými typy řetězů
  • Náchylný k opotřebení a prodloužení
  • Špatná plynulost přenosu, s dodatečným dynamickým zatížením, vibracemi, nárazy a hlukem během provozu
  • Nevhodné pro aplikace s rychlým reverzním přenosem

Souhrnně lze říci, že řetězy s hroty jsou ideální pro aplikace vyžadující vysoký výkon v náročných podmínkách, ale nemusí být vhodné pro úkoly vyžadující časté rychlé změny směru nebo minimální hluk a vibrace.

Technické parametry

technický stůl s ostrým vrchním řetězem

technický stůl s ostrým horním řetězem